IUA2300KPA Industriekamera/Analytische Bildgebung

Produkteinführung

Die IUA-Serie richtet sich an allgemeine industrielle Inspektion und wissenschaftliche Bildgebung, mit Auflösungen von 0,39 MP bis 45 MP, und bietet verschiedene Modelle von kleinen bis großen Sensorformaten sowie anwendungsspezifische Global Shutter (GS) oder Rolling Shutter (RS) Lösungen, sowie Modelle für sichtbares Licht, Nahinfrarot (NIR) und Ultraviolett (UV) Spezialbereiche (modellabhängig).

Für Übertragung und Synchronisation nutzt IUA hauptsächlich USB3.0 für Echtzeit-Datenerfassung, einige Modelle bieten 10GigE für Langstrecken- und Hochbandbreitenübertragung; das Gehäuse verfügt über 7-Pin I/O (optisch isolierte Ein-/Ausgänge + konfigurierbare GPIO), für einfache Koordination mit Triggerquellen, Lichtquellen, Bewegungssteuerung und anderen Peripheriegeräten.

Die Software-Umgebung ist vollständig, mit beiliegendem ToupView; plattformübergreifendes SDK (Windows / Linux / macOS), kompatibel mit DirectShow / TWAIN und anderen Drittanbieter-Schnittstellen, für einfache Zweitentwicklung und Systemintegration.

Hauptmerkmale

  • Auflösungsbereich 0,39–45 MP, für verschiedene Szenarien wählbar (modellabhängig)
  • Wellenlängenbereich sichtbar / NIR / UV, mit spezialisierten Modellen für Spezialbereiche (modellabhängig)
  • Verschlusstyp: Global Shutter (GS) oder Rolling Shutter (RS) (modellabhängig)
  • Datenschnittstelle: USB3.0; einige Modelle unterstützen 10GigE Hochgeschwindigkeits-Langstreckenübertragung
  • Vielfältige I/O: 7-Pin Industrieschnittstelle, OPTO_IN/OPTO_OUT optisch isoliert + konfigurierbare GPIO
  • Unterstützt Hardware-Trigger / Software-Trigger / Freilaufmodus
  • Unterstützt ROI, digitales Binning (2×2/3×3/4×4 modellabhängig), präzise Bandbreiten- und Bildratenkontrolle
  • Einige Modelle mit integriertem Puffer für verbesserte Hochgeschwindigkeits-Übertragungsstabilität
  • Namenskonvention mit C (Farbe) / M (Monochrom) Kennzeichnung für schnelle Modellauswahl
  • Bietet ToupView Bildsoftware und plattformübergreifendes SDK, unterstützt Windows / Linux / macOS und DirectShow / TWAIN
  • Gehäuse- und Platinen-Varianten (OEM) in verschiedenen Strukturgrößen, einfach für Embedded- und Systemintegration
  • Erfüllt CE / FCC / RoHS und andere Zertifizierungsanforderungen

Produktdetails

Hauptparameter
Modell IUA2300KPA
Sensor Sony IMX174LQJ
Effektive Pixel / Auflösung 2,3 MP (1920×1200)
Bildrate (volle Auflösung) 164,5 fps@1920×1200
Verschlussart Global Shutter
Farbtyp Farbe
Bildqualität
Pixelgröße 5,86 µm × 5,86 µm
Sensorgröße 11,25 mm × 7,03 mm
Diagonale 1/1,2″
Dynamikbereich 72 dB
Bittiefe 8/12-Bit
Empfindlichkeit 1016 mV
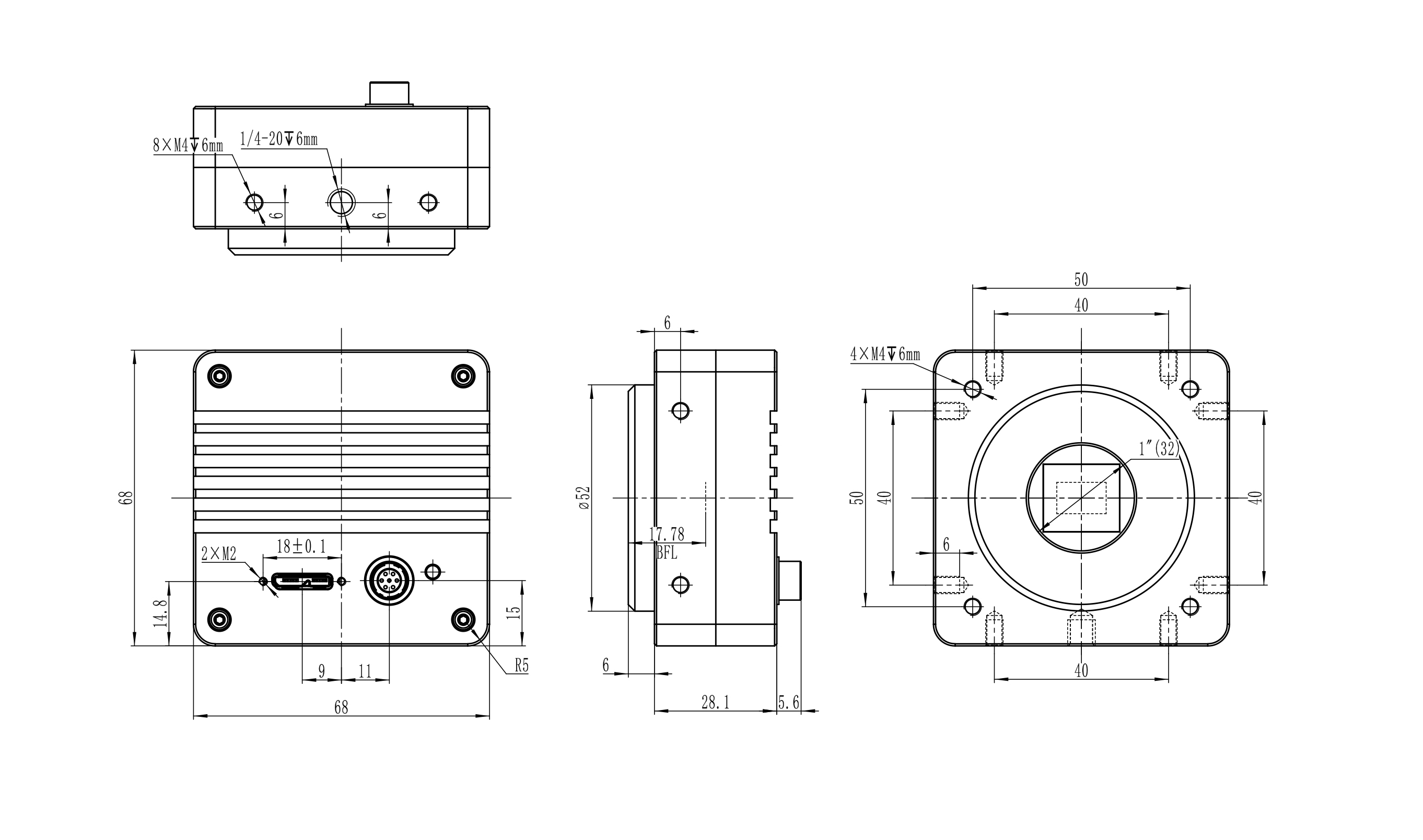
Schnittstelle & Mechanik
Datenschnittstelle USB3.0 (USB3.1 GEN1)
GPIO 1 optisch isolierter Eingang, 1 optisch isolierter Ausgang, 2 nicht-isolierte Ein-/Ausgänge
Objektivanschluss C-Mount
Abmessungen 68 mm × 68 mm × 28,1 mm
Gewicht 217 g
Stromversorgung USB3.0-Stromversorgung / DC 12 V Stromversorgung
Umgebung & Zertifizierung
Betriebstemperatur / Luftfeuchtigkeit -10 °C ~ +50 °C / 20%~80% nicht kondensierend
Lagertemperatur / Luftfeuchtigkeit -30 °C ~ +70 °C / TBD
Betriebssystem Windows 32-Bit/Windows RT/Linux/macOS/Android; x86/x64/ARM HF/ARM EL/ARM64
Zertifizierung CE, FCC

Produktübersicht

Die IUA2300KPA repräsentiert eine fortschrittliche Industriekamera-Plattform, die für anspruchsvolle Anwendungen entwickelt wurde, die außergewöhnliche spektrale Vielseitigkeit und Hochleistungs-Bildgebungsfähigkeiten erfordern. Mit einem hochleistungsfähigen Sony IMX174LQJ Bildsensor liefert diese Plattform umfassende Bildgebungslösungen über erweiterte Spektralbereiche von sichtbarem bis ultraviolettem und nahinfrarotem Licht.

Erweiterte spektrale Bildgebungsfähigkeiten

Die IUA Serie etabliert neue Standards für spektrale Vielseitigkeit durch fortschrittliche Sensortechnologien, die Bildgebungsfähigkeiten über konventionelle sichtbare Lichtanwendungen hinaus erweitern. Die 2,3 MP (1920×1200) Auflösungsarchitektur kombiniert mit 5,86 µm × 5,86 µm Pixeldesign über ein 11,25 mm × 7,03 mm Sensorformat liefert außergewöhnliche Leistung über ultraviolette, sichtbare und nahinfrarote Spektralbereiche hinweg. Diese Fähigkeit adressiert spezialisierte Anwendungen einschließlich Fluoreszenzdetektion, Materialanalyse und wissenschaftlicher Forschung, wo standardmäßige sichtbare Lichtbildgebung keine ausreichenden spektralen Informationen liefern kann.

Die Implementierung von Global Shutter Technologie gewährleistet präzise zeitliche Kontrolle, die wesentlich für spektrale Bildgebungsanwendungen ist, wo Timing-Genauigkeit direkt die Messzuverlässigkeit beeinflusst. Dieser Entwicklungsansatz unterstützt sowohl Hochgeschwindigkeits-Dynamikbildgebung als auch Langzeitbelichtungs-wissenschaftliche Dokumentation über verschiedene spektrale Bedingungen hinweg und erhält dabei konsistente Leistungscharakteristiken.

Fortschrittliche Konnektivität und Leistung

Die anspruchsvolle Dual-Interface-Architektur mit USB3.0 (USB3.1 GEN1) Konnektivität bietet beispiellose Einsatzflexibilität für verschiedene Systemanforderungen. Dieser umfassende Ansatz ermöglicht maximale Bildraten von 164,5 fps@1920×1200 und unterstützt sowohl kompakte USB-Installationen als auch Hochbandbreiten-Gigabit-Ethernet-Einsätze in Unternehmensmaßstab-Systemen. Das fortschrittliche Schnittstellendesign gewährleistet konsistenten Datendurchsatz unabhängig von spektraler Konfiguration oder Bildgebungsanforderungen.

Professionelle Bildverarbeitungsfähigkeiten beinhalten 8/12-Bit Farbtiefen-Verarbeitung mit Dynamikbereich-Spezifikationen über 72 dB. Diese Parameter gewährleisten außergewöhnliche spektrale Genauigkeit und Kontrastauflösung, die wesentlich für Anwendungen sind, die präzise Farbdiskriminierung und spektrale Analyse über verschiedene Materialien und Beleuchtungsbedingungen hinweg erfordern.

Wissenschaftliche und industrielle Integration

Die optimierten Empfindlichkeitsspezifikationen von 1016 mV ermöglichen zuverlässige Leistung über herausfordernde spektrale Bedingungen hinweg, die typisch sowohl in wissenschaftlicher Forschung als auch industriellen Anwendungen sind. Diese Fähigkeit gewährleistet konsistente Bildqualität, ob in kontrollierten Laborumgebungen oder variablen Produktionseinstellungen eingesetzt, wo spektrale Charakteristiken erheblich variieren können. Die Plattform adressiert die wachsende Nachfrage nach spektralen Bildgebungsfähigkeiten in Qualitätskontrollprozessen, Materialanalyse und Forschungsanwendungen.

Die Standard C-Mount Schnittstelle bietet universelle Kompatibilität sowohl mit industriellen Objektivsystemen als auch spezialisierten wissenschaftlichen Optiken. Optionale 0,5×/0,63×/1× Relay-Adapter ermöglichen Integration mit Mikroskopiesystemen und spezialisierten optischen Konfigurationen, die ultraviolette und nahinfrarote Bildgebungsanforderungen unterstützen und dabei optimale Leistungscharakteristiken beibehalten.

Kompaktes Design und Entwicklungsunterstützung

Das kompakte mechanische Design mit Abmessungen von 68 mm × 68 mm × 28,1 mm und Systemgewicht von 217 g adressiert Platzbeschränkungen sowohl in Labor- als auch industriellen Umgebungen und erhält dabei professionelle spektrale Bildgebungsleistung. Die USB3.0-Stromversorgung / DC 12 V Stromversorgung Stromarchitektur vereinfacht Installationsanforderungen und reduziert Systemkomplexität in multispektralen Bildgebungskonfigurationen.

Umfassende Software-Entwicklungsunterstützung umfasst professionelle SDK-Kompatibilität über C/C++, C#, Python, DirectShow, GenICam Entwicklungsumgebungen und Windows 32-Bit/Windows RT/Linux/macOS/Android; x86/x64/ARM HF/ARM EL/ARM64 Betriebssystemplattformen hinweg. Diese umfassende Kompatibilität gewährleistet nahtlose Integration mit bestehender Automatisierungsinfrastruktur und ermöglicht kundenspezifische Anwendungsentwicklung, die die einzigartigen spektralen Fähigkeiten für spezialisierte Forschungs- und Industrieanforderungen nutzt.

Kern-Leistungsspezifikationen

Auflösung

2,3 MP (1920×1200)

Bildrate

Bis zu 164,5 fps@1920×1200

Pixelgröße

5,86 µm × 5,86 µm

Datenschnittstelle

USB3.0 (USB3.1 GEN1)

Fortschrittliche Anwendungsfähigkeiten

Multispektrale Bildgebung

Fortschrittliche Sensortechnologie ermöglicht Bildgebung über ultraviolette, sichtbare und nahinfrarote Spektralbereiche und unterstützt spezialisierte Anwendungen in Fluoreszenzdetektion, Materialanalyse und wissenschaftlicher Forschung, die erweiterte spektrale Abdeckung erfordern

Dual-Interface-Flexibilität

Umfassende Konnektivitätsoptionen durch USB 3.0 und Gigabit-Ethernet-Schnittstellen bieten Einsatzflexibilität für verschiedene Systemarchitekturen, von kompakten Forschungsaufbauten bis zu Unternehmensmaßstab-Industrieinstallationen

Hochgeschwindigkeitspräzision

Global-Shutter-Architektur gewährleistet präzise zeitliche Kontrolle, die wesentlich für spektrale Bildgebungsanwendungen ist und sowohl Hochgeschwindigkeits-Dynamikbildgebung als auch Langzeitbelichtungs-wissenschaftliche Dokumentation über verschiedene spektrale Bedingungen hinweg unterstützt

Wissenschaftliche Integration

Umfassendes Software-Entwicklungskit ermöglicht nahtlose Integration mit wissenschaftlicher Instrumentierung und industriellen Automatisierungssystemen und unterstützt kundenspezifische Anwendungen, die einzigartige spektrale Bildgebungsfähigkeiten nutzen

Technische Exzellenz

Die IUA2300KPA Industriekamera liefert außergewöhnliche Leistung durch ihre fortschrittlichen spektralen Bildgebungsfähigkeiten, umfassenden Konnektivitätsoptionen und professionelle Entwicklung. Diese Plattform repräsentiert die optimale Lösung für anspruchsvolle Anwendungen, die zuverlässige Bildgebungsleistung über erweiterte Spektralbereiche hinweg erfordern, sei es in wissenschaftlichen Forschungsumgebungen oder spezialisierten industriellen Anwendungen, wo konventionelle sichtbare Lichtbildgebung keine ausreichenden analytischen Informationen liefern kann.

Professionelle SDK-Suite

Multi-Plattform-Entwicklungsressourcen unterstützen Windows, Linux, macOS mit spektralen Bildgebungsbeispielen


3D-CAD-Modelle

Präzise STEP-Format-Dateien für mechanische Design-Integration und optische Systemplanung

Produktübersicht

Professionelle Funktionen der IUA-Serie Industriekameras

Die IUA-Serie repräsentiert kompakte, hochgeschwindigkeitsreaktive USB-3.0/GigE-Industriekameras von Spectrum Instruments, die sichtbares Licht und spezialisierte Spektrumbildgebungsanforderungen einschließlich UV- und NIR-Anwendungen abdecken. Diese Serie integriert fortschrittliche Sony- und GPixel-CMOS/BSI-Sensoren, wobei ausgewählte Modelle Global-Shutter-Technologie und erweiterte ultraviolette und nahinfrarote Designs unterstützen. Die Kameras zeichnen sich durch hohe Bildwiederholratenleistung, Lichtschwachempfindlichkeit und spezialisierte Wellenlängenerfassungsfähigkeiten aus. Mit robusten Metallgehäusen und industrietauglichen Schnittstellen konstruiert, sind sie für langfristig stabilen Betrieb und nahtlose Systemintegration konzipiert.

Kernfunktionen

Multi-Typ Hochleistungssensoren

Sony Pregius/GPixel BSI vom UV- bis NIR-Spektrum

Global-Shutter-Unterstützung

Bewegungsunschärfefreie Bildgebung für Hochgeschwindigkeitsszenarien

Spezialisierte Spektrumbildgebung

UV-glasfreies Design, NIR-verstärkte QE bis über 90 %

Industrietaugliche I/O-Schnittstellen

Optisch isolierte Ein-/Ausgänge, 7-poliger Luftfahrtanschluss

Leistungshöhepunkte

Auflösungsbereich

0,39–45 MP

Mehrere Spezifikationen verfügbar
Bildwiederholratenleistung

100+ fps

Niedrigauflösungsmodelle
Belichtungszeit

6 µs–60 s

Ultraweiter Bereich
Kompakte Größe

38×38×33

mm (Board-Level-Modell)

Detaillierte Produkteinführung

Erweiterte Sensortechnologieplattform

Die IUA-Serie integriert branchenführende Sony Pregius/Pregius S-Serie und GPixel BSI rückbeleuchtete Sensoren, die das breite Spektrum von sichtbarem Licht bis zu ultravioletten und nahinfraroten Wellenlängen abdecken. Die BSI-Architektur verbessert die Photonensammeleffizienz erheblich mit Dunkelstrompegeln von nur 0,03–0,3 e-/s/Pixel und gewährleistet klare Bilderfassung selbst in lichtschwachen Umgebungen. Die vielfältige Sensorauswahl reicht von hochgeschwindigkeiten niedrigauflösenden bis zu ultrahochauflösenden 45-MP-Konfigurationen und erfüllt die Präzisionsbildgebungsanforderungen verschiedener Anwendungsszenarien.

Global-Shutter-Hochgeschwindigkeitsbildgebungstechnologie

Ausgewählte Modelle verfügen über Global-Shutter-Funktionalität, die Bewegungsunschärfe und Verzerrung von schnell bewegten Objekten effektiv eliminiert und sie besonders für Industrieinspektion und Bewegungsanalyseanwendungen geeignet macht. Die Bildwiederholraten erreichen hundertfache Hochgeschwindigkeitserfassung in 2–8-MP-Auflösungen, mit weiterer Verbesserung durch ROI- und Binning-Modi möglich. Die Unterstützung für Belichtungszeiten von nur 6 µs gewährleistet die Erfassung momentaner Dynamik und bietet zuverlässige Leistung für Hochgeschwindigkeitsproduktionslinieninspektion, bewegte Zielverfolgung und ähnlich anspruchsvolle Anwendungen.

Spezialisierte Spektrumbildgebungslösungen

Das einzigartige spektrale Bildgebungsdesign ermöglicht der IUA-Serie, bei spezialisierten Wellenlängendetektionsanwendungen zu brillieren. UV-Modelle verwenden Glasentfernungstechnologie, um die ultraviolette Wellenlängenansprache dramatisch zu verbessern, während NIR-Modelle nahinfrarote Quanteneffizienz von über 90 % durch Sensoroptimierung und spezialisierte Beschichtungen erreichen. Diese breite Spektralabdeckungsfähigkeit bietet einzigartige Vorteile bei Halbleiterdefektdetektion, biomedizinischer Fluoreszenzbildgebung, Sicherheitsüberwachung und ähnlichen Bereichen und bietet Mehrzweckfunktionalität bei gleichzeitiger Reduzierung der Systemkomplexität.

Industrietaugliche Schnittstelle und Hochzuverlässigkeitsdesign

Die Kameras verfügen über umfassende industrietaugliche I/O-Schnittstellen einschließlich einem optisch isolierten Eingang, einem optisch isolierten Ausgang und programmierbarem GPIO, das externe Triggerung und Blitzsynchronisationsfunktionen unterstützt. Das 7-polige Luftfahrtanschlussdesign gewährleistet Verbindungszuverlässigkeit in vibrierenden Umgebungen. Die CNC-Aluminium-Monocoque-Konstruktion nutzt lüfterloses passives Kühlungsdesign mit einem Stromverbrauch unter 3 W und ermöglicht kontinuierlichen 24/7-stabilen Betrieb selbst in rauen Industrieumgebungen.

Umfassende Systemintegrationsunterstützung

Die Kameras bieten duale Schnittstellenoptionen von USB 3.0 und 10GigE, um verschiedene Übertragungsentfernungs- und Bandbreitenanforderungen zu erfüllen. Professionelle ToupView/ToupLite-Software unterstützt umfassende Plattformkompatibilität einschließlich Windows, Linux, macOS und Android. Reichhaltige SDK-Schnittstellen umfassen C/C++, C#/VB.NET, Python, Java, DirectShow und Twain und vereinfachen Sekundärentwicklungsworkflows erheblich. Standard-C-Mount-Objektivkompatibilität kombiniert mit den kompakten 38×38×33 mm Abmessungen erleichtert die Integration in verschiedene Automatisierungsgeräte und wissenschaftliche Instrumente.

Anwendungen

IUA-Serie Anwendungen in verschiedenen industriellen Bildgebungsbereichen

Industriekamera-Anwendungsszenarien

IUA-Serie Kernvorteile

Breite Spektrumabdeckung

UV bis NIR Vollspektrum

Global Shutter

Hochgeschwindigkeits-bewegungsunschärfefrei

Hochgeschwindigkeitsbildgebung

100+ fps Aufnahme

Kompaktes Design

38×38×33 mm

Industrielle I/O

Optisch isolierte Schnittstellen

BSI-Sensoren

Ultra-niedriger Dunkelstrom

Duale Schnittstellen

USB 3.0/10GigE

Niedriger Stromverbrauch

<3 W stabiler Betrieb