BMM100-Serie - Hellfeld-Metallographie-Mikroskopiersystem

Produktbeschreibung

Das Hellfeld-Metallographie-Mikroskop (Brightfield Metallographic Microscope) besteht hauptsächlich aus drei Hauptsystemen: Beleuchtungssystem, Bildgebungssystem und mechanischem System. Es ist ein präzises optisches Instrument, das in verschiedenen Bereichen der modernen Wissenschaft und Technologie weit verbreitet ist und ein sehr wichtiges Prüfwerkzeug darstellt. Besonders in den Bereichen Biologie, Geologie, Mineralogie und Medizin spielt das Metallographie-Mikroskop eine immer wichtigere Rolle.

Technische Merkmale

  • Standard-Arbeitsabstand-Serie/Langer Arbeitsabstand-Serie Objektive (optional)
  • Bildgebungsstrahlengang: 1X (Tubuslinsenlänge 180 mm), verschiedene Verkleinerungsoptiken anpassbar
  • Bildebene des Bildgebungsstrahlengangs: 25 mm
  • Spektralbereich des Bildgebungsstrahlengangs: sichtbares Licht
  • Kameraanschluss: C/M42/M52 etc. optional
  • Beleuchtungsart: Kritische Beleuchtung/Köhler-Beleuchtung optional
  • Beleuchtungsquelle: 10 W Weißlicht/Blaulicht-LED-Beleuchtung optional

Anwendungsbereiche

Metallwerkstoffprüfung Metallurgische Analyse Industrielle Qualitätskontrolle Nichtmetallische Werkstoffprüfung

Produktdetails

Grundlegende technische Parameter

Optische Systemparameter
Objektivserie Standard-Arbeitsabstand-Serie / Lang-Arbeitsabstand-Serie (optional)
Bildgebungspfad 1X (Tubusfokallänge 180 mm), verschiedene Vergrößerungslinsen anpassbar
Bildgröße 25 mm
Spektralbereich Sichtbares Licht
Kameraanschluss C/M42/M52 etc. wählbar
Beleuchtungssystemparameter
Beleuchtungsart Kritische Beleuchtung/Köhler-Beleuchtung wählbar
Beleuchtungsquelle 10 W Weißlicht/Blaulicht-LED-Beleuchtung wählbar

Objektiv-Parametertabelle

Standard-Arbeitsabstand-Serie

Produktmodell Vergrößerung Numerische Apertur (NA) Arbeitsabstand (WD) Fokallänge Auflösung Objektsichtfeld Bildsichtfeld Gewinde
BF5XA 5X 0.15 22 mm 36 mm 2,23 µm 5 mm 25 mm M20×0,705
BF10XA 10X 0.3 15 mm 18 mm 1,1 µm 2,5 mm 25 mm M20×0,705
BF20XA 20X 0.4 10 mm 9 mm 0,75 µm 1,25 mm 25 mm M20×0,705
BF50XA 50X 0.8 2,5 mm 3,6 mm 0,41 µm 0,5 mm 25 mm M20×0,705

Lang-Arbeitsabstand-Serie

Produktmodell Vergrößerung Numerische Apertur (NA) Arbeitsabstand (WD) Fokallänge Auflösung Objektsichtfeld Bildsichtfeld Gewinde
BFL2.5XA 2,5X 0.075 6,2 mm 80 mm 4,46 µm 10 mm 25 mm M26×0,705
BFL5XA 5X 0.15 23,5 mm 40 mm 2,2 µm 5 mm 25 mm M26×0,705
BFL10XA 10X 0.3 22,8 mm 20 mm 1,1 µm 2,5 mm 25 mm M26×0,705
BFL20XA 20X 0.4 19,2 mm 10 mm 0,8 µm 1,1 mm 25 mm M26×0,705
BFL50XA 50X 0.55 11 mm 4 mm 0,6 µm 0,44 mm 25 mm M26×0,705

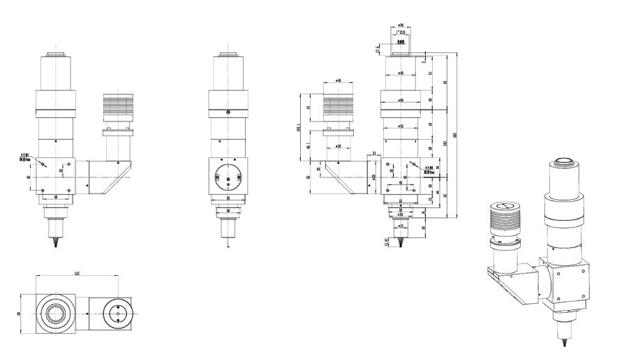
Produktmaßzeichnung

BMM100-Serie Maßzeichnung

Systemkonfigurationslösung

Flexible Kombination von Hardware- und Softwaremodulen nach Anwendungsanforderungen

Dimension Schlüsselkonfiguration Technische Highlights Kundennutzen
Bildgebungshardware • ToupCam X-Serie: IMX415/IMX571 etc. BSI CMOS, max. 45 MP, USB 3.0/HDMI 60 fps 4K
• HCAM/PUM tragbares Modul: UVC Plug & Play, eingebautes 8-LED-Ringlicht
• Niedriges Ausleserauschen & 66 dB+ Dynamikumfang
• Rolling Shutter + Global Shutter-Optionen
Realistische Farbwiedergabe, hoher Kontrast; erfüllt Hochgeschwindigkeits-AOI, schwache Fluoreszenzsignale und weitere Anwendungen
Zoom-Optik • MZO-Serie (0,25×–8×): 20× Zoomverhältnis, NA 0,12, 174 mm langer Arbeitsabstand
• ZOPE All-in-One: eingebaute 8 LED & USB-Kamera, parfokaler linearer Zoom
Doppelter paralleler Strahlengang, beugungsbegrenzte MTF, geringe Verzeichnung Zoomen ohne Nachfokussierung erforderlich, direkt vom Millimeter- zum Mikrometerbereich
Beleuchtungssystem • TZM0756DRL 65/85 mm LED-Ringlicht: PWM-Helligkeit stufenlos einstellbar
• TZM0756CL koaxiales Licht + Punktlichtquelle
• AALRL-200 großes Ringlicht: 300 mm gleichmäßiges Sichtfeld
Mehrkanal/polarisiert/koaxiales Mischlicht; LED-Winkel 30° einstellbar Löst Probleme wie PCB-Lötstellenblendung, Wafer-Kratzer, transparente Dünnschichtinspektion
Mechanische Plattform • TPS-600 Grob-/Feinstativ (5 kg Tragfähigkeit)
• TPS-300 Präzisionsfeineinstellung 2 µm Schritt
• Motorisierte Z- & XY-Plattform (optional)
Eloxiertes Aluminium Klasse II Luftfahrtlegierung, Kugellager-Linearführung Langzeit 24×7 stabile Positionierung, unterstützt Autofokus und Array-Scanning
Software & Algorithmen • ToupView: Echtzeitmessung/Annotation, Tiefenschärfensynthese, HDR, Polarisationsauflösung
• SDK/API: Windows/macOS/Linux/Android
• KI-Modul: Fehlerklassifizierung, Größentoleranzbestimmung
Sekundärentwicklung + PLC/Roboter-Schnittstellenprotokoll Schnelle Integration in MES/SPC-Qualitätssystem, unterstützt Edge-Computing und Cloud-Synchronisation

Systemvorteile

Fünf Kernvorteile für eine professionelle Mikroskop-Bildgebungsplattform

Komplettes Ökosystem, schlüsselfertige Lieferung

Kamera, Objektiv, Beleuchtung, Halterung, Software – alles aus eigener Entwicklung. Keine Mehrfachbeschaffung erforderlich, Plug & Play spart 60 % Integrationszeit.

Hohe Auflösung + große Schärfentiefe

45 MP Ultra-HD CMOS + Tiefenschärfensynthese-Algorithmus, erreicht mikrometerklare Bilder in 30 mm Sichtfeld.

Multispektral & Low-Light-Bildgebung

Unterstützt Weißlicht/Nahinfrarot/Polarisationskombination mit koaxialem & Ringlicht-Synchronschaltung; zeigt Texturdetails selbst bei 0,05 lux.

Flexible Erweiterung, Investitionsschutz

Standard C-Mount & GigE Vision/USB3 Vision Protokoll, spätere Upgrades für KI-Module, automatische Objektträger und Mehrkamera-Synchronisation ohne Hauptkörpertausch.

Branchenübergreifende Anwendungsfälle

  • Halbleiter: Bumping, Kratzer, Bond-Draht-Fehler AOI
  • FPC/PCB: Lötpastenhöhe, Lötstellen-Rückstandsprüfung
  • Neue Energien: Lithium-Separator-Porengröße, Elektrodenbeschichtungs-Uniformität
  • Biowissenschaften: Gewebeschnitte, Entomologie, Pflanzen-Lebendbeobachtung
  • Bildung & Ausbildung: Hochschul-Materialkurse virtuelle Experimente, STEAM-Maker-Kurse

Anwendungsfälle

Erfolgreiche Implementierungserfahrungen in mehreren Branchen

Halbleiterprüfung

Automatische optische Inspektion von Bumping, Kratzern, Bond-Draht-Fehlern

Halbleiterproduktion
PCB-Prüfung

Hochpräzise Prüfung von Lötpastenhöhe und Lötstellen-Rückständen

FPC/PCB-Qualitätsprüfung
Neue Energieprüfung

Analyse von Lithium-Separator-Porengröße und Elektrodenbeschichtungs-Uniformität

Neue Energiematerialien
Biowissenschaften

Gewebeschnitte und dynamische Lebendzellbeobachtung

Biowissenschaftliche Forschung